|
 |
|
DC Motors
1791 Active |
|
|
|
|
|
Data Group: 1791
SKU: 1111120
Weight (Kg): 0.1000
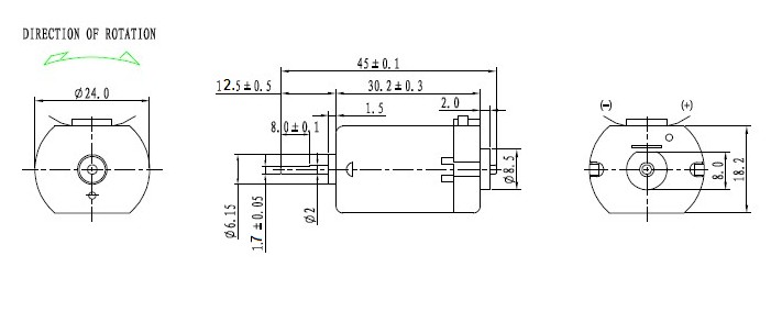
Decsription: FC-280SA-07450-1.7D
HS Code: 8483.40.9000
Applications: Toys
 |
|
|
|
|
|
无标题文档
MFG MODEL |
VOLTAGE |
NO LOAD |
AT MAXIMUM EFFICIENCY |
STALL |
OPERATING |
NOMINAL |
SPEED |
CURRENT |
SPEED |
CURRENT |
TORQUE |
OUTPUT |
TORQUE |
CURRENT |
RANGE |
VDC |
RPM |
A |
RPM |
A |
mN-m |
g-cm |
W |
mN-m |
g-cm |
A |
FC-280SA-07450-1.7D |
|
24 |
8300 |
0.032 |
6638 |
0.128 |
1.533 |
15.33 |
1.72 |
7.66 |
76.6 |
0.510 |
|
|
|
|
|
|
|
|
|
|
|
|
|
|
|
©2003 KYSAN ELECTRONICS All Rights Reserved! www.kysanelectronics.com |
|