AC Motors
1840 Active
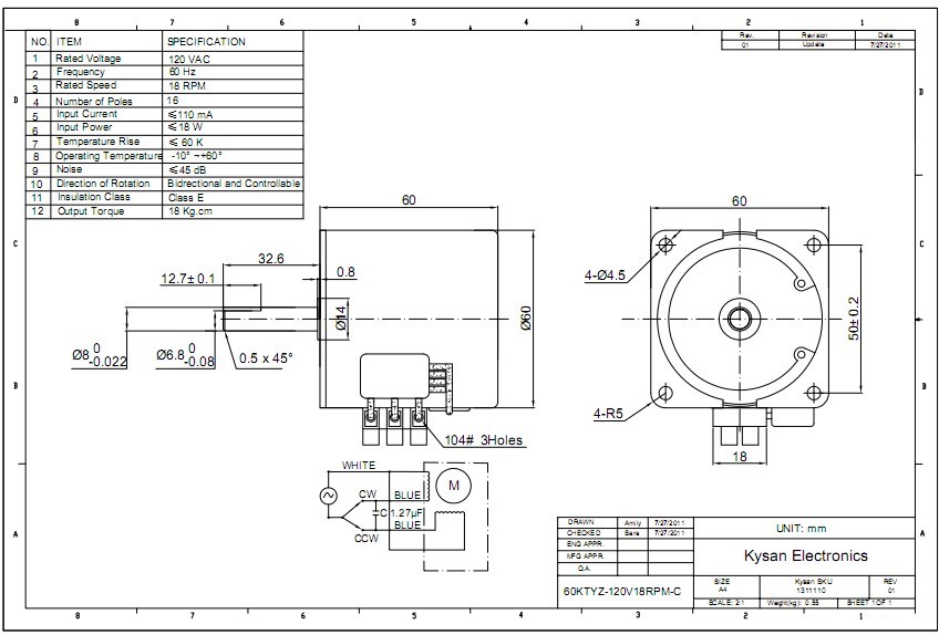
Data Group: 1840
SKU: 1311110
Weight (Kg): 0.5000
Decsription: 60KTYZ-120V18RPM-C
HS Code: 8501.31.4000
Applications: Technical instrument

©2003 KYSAN ELECTRONICS All Rights Reserved! www.kysanelectronics.com