Vibrating Motors
1938 Active
Data Group: 1938
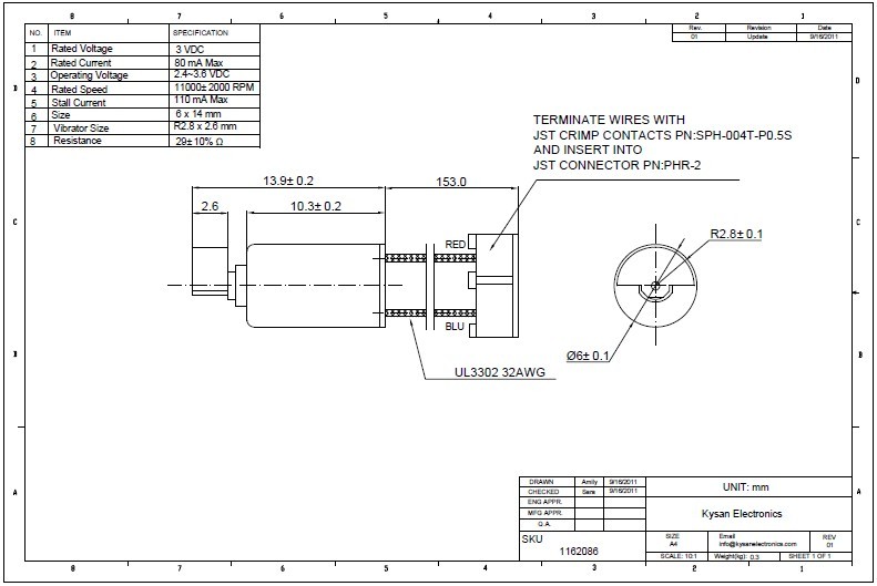
SKU: 1162086
Weight (Kg): 0.2000
Decsription: 6ZK083-JST
HS Code: 8483.40.9000
Applications:

©2003 KYSAN ELECTRONICS All Rights Reserved! www.kysanelectronics.com