DC Motors
449 Active
Data Group: 449
SKU: 1112405
Weight (Kg): 0.2000
Decsription: RF-370CH-18280-5
HS Code: 8501.31.6000
Applications: Home Appliances> Kitchen Appliance Audio and Visual Equipment> CD Player / DVD Player / VCR
     
 

RF-370CH-10670-R/49
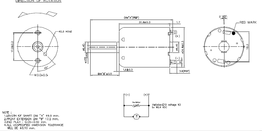
ITEM SAFETY SPECIFICATION MEASUREMENT

1. RATING RATED VOLTAGE 12.0 VDC BETWEEN MOTOR TERMINALS RATED LOAD 15.4 g-cm DIRECTION OF ROTATION C C.W VIEWED FROM OUTPUT SHAFT SIDE

2. MEASURING CONDITION MOTOR POSITION MOTOR TO BE HELD , WITH SHAFT HORIZONTALLY ENVIRONMENTAL TEMPERATURE AND HUMIDITY NORMAL TEMP : 25 ± 5 ℃ HUMID : 65 ± 15% POWER SUPPLY REGULATED

3. ELECTRICAL CHARACTERISTICS NO-LOAD CURRENT 30mA 以下 RATED VOLTAGE NO-LOAD SPEED 3000 RPM ± 15% RATED VOLTAGE RATED-LOAD CURRENT 60 ± 14 mA RATED VOLTAGE RATED-LOAD SPEED 2400 RPM ± 12% RATED VOLTAG I NSULATION RESISTANCE 100V 2M Ω MIN BETWEEN MOTOR TERMINAL AND MOTOR METAL HOUSING

4. MECHANICAL CHARACTERISTICS EXTERNAL APPEARANCE AS PER ABOVE DRAWING OPTICAL EXTERNAL DIMENSION AS PER ABOVE DRAWING DIAL CALIPER SHAFT END PLAY 0.50 mm (max) MICROMETER SHAFT BENDING 0.05 mm MAX MICROMETER

 
     

 


©2003 KYSAN ELECTRONICS All Rights Reserved! www.kysanelectronics.com