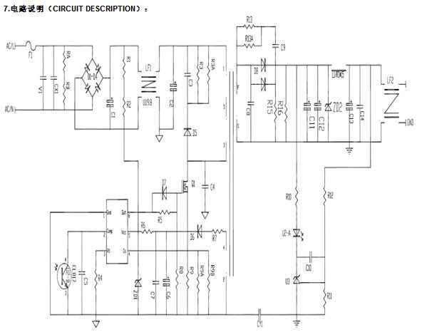
Desktop Adaptors
2066 Active
Data Group: 2066
SKU: 4050156
Weight (Kg): 1.0000
Decsription: AD3-12V1A-2.1
HS Code: 8504.40.9510
Applications: Office equipment

©2003 KYSAN ELECTRONICS All Rights Reserved! www.kysanelectronics.com