Geared Steppers
2508 Active
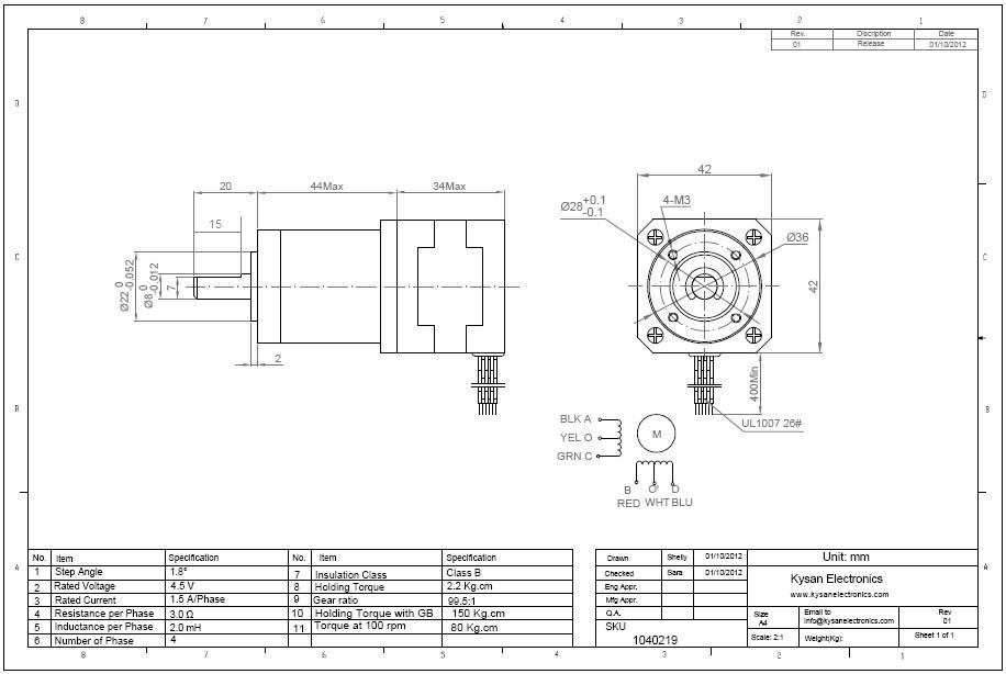
Data Group: 2508
SKU: 1040219
Weight (Kg): 1.0000
Decsription: 17HG-U1/100
HS Code: 8504.40.40.00
Applications:

©2003 KYSAN ELECTRONICS All Rights Reserved! www.kysanelectronics.com