AC Motors
4408 Active
Data Group: 4408
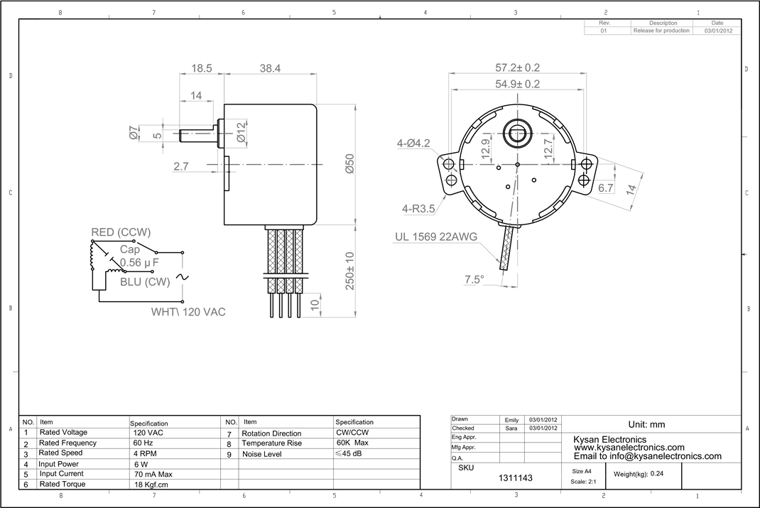
SKU: 1311143
Weight (Kg): 0.5000
Decsription: 50KTYZ-120V4RPM
HS Code:
Applications:

©2003 KYSAN ELECTRONICS All Rights Reserved! www.kysanelectronics.com