Stepper Motors
2217 Active
Data Group: 2217
SKU: 1124121
Weight (Kg): 1.0000
Decsription: 42BYG48B-18W48
HS Code: 8483.40.9000
Applications: Stage lights, securities, advertisement board
无标题文档
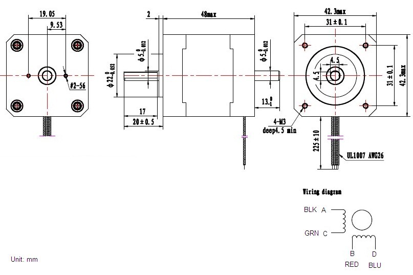
KYSAN SKU MFG Model No. of Phase Step Angel Voltage (V) Current (A) Resistance (O) Inductance (mH) Holding Torque (Kg.cm) Rotor Inertia  (g.cm2) Detent Torque   (mN.m) Weight (Kg)
1124121 17HD439Y-2P 2 1.8° 2.8 2 1.4 2.8 4.8 82 20 0.4

©2003 KYSAN ELECTRONICS All Rights Reserved! www.kysanelectronics.com