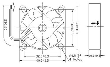
Cooling Fans
1503 Active
Data Group: 1503
SKU: 69827
Weight (Kg): 0.5000
Decsription: FSY40S12M
HS Code: 8414.59.6090
Applications:

©2003 KYSAN ELECTRONICS All Rights Reserved! www.kysanelectronics.com