Stepper Motors
3830 Active
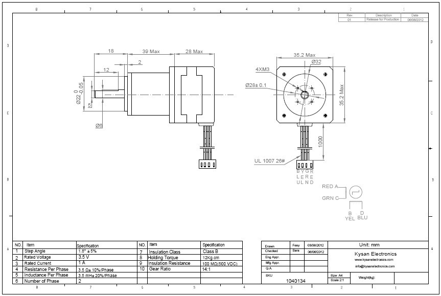
Data Group: 3830
SKU: 1040134
Weight (Kg): 2.0000
Decsription: 14HG-B1/14-1KC
HS Code: 8483.40.9000
Applications:

©2003 KYSAN ELECTRONICS All Rights Reserved! www.kysanelectronics.com