|
|
 |
|
DC Motors
203 Active |
|
|
|
|
|
Data Group: 203
SKU: 1111077
Weight (Kg):
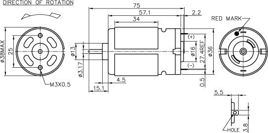
Decsription: KP3N-35110
HS Code: 8501.31.6000
Applications: Air compressor, Drill
 |
|
|
|
|
|
Untitled Document
MFG Model |
VOLTAGE |
NO LOAD |
AT MAXIMUM EFFICIENCY |
STALL |
OPERATING RANGE |
NOMINAL |
SPEED |
CURRENT |
SPEED |
CURRENT |
TORQUE |
OUTPUT |
EFF |
CURRENT |
TORQUE |
VDC |
VDC |
RPM |
A |
RPM |
A |
g-cm |
mNm |
W |
% |
A |
g-cm |
mNm |
| KS3N-30100 |
12.0~24.0 |
12 |
5200 |
0.3 |
4300 |
1.33 |
235 |
23.04 |
10.50 |
65 |
7.21 |
1500 |
147.06 |
| KS3N-4553 |
6.0~12.0 |
12 |
10200 |
0.6 |
8400 |
3.60 |
353 |
34.61 |
30.86 |
72 |
22.68 |
2513 |
246.37 |
| KP3N-7521 |
4.8~12.0 |
7.2 |
14500 |
1.5 |
12700 |
9.89 |
390 |
38.24 |
51.24 |
72 |
79.81 |
3680 |
353.73 |
| KP3N-35110 |
6.0~24.0 |
12 |
4500 |
0.15 |
3800 |
1.14 |
242 |
23.73 |
9.61 |
71 |
8.33 |
2020 |
198.04 |
|
|
|
|
|
|
|
|
|
|
|
|
|
|
|
©2003 KYSAN ELECTRONICS All Rights Reserved! www.kysanelectronics.com |
|
|
|