|
 |
|
DC Motors
270 Active |
|
|
|
|
|
Data Group: 270
SKU: 1112202
Weight (Kg): 0.5000
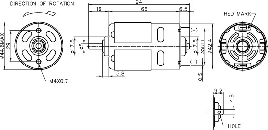
Decsription: RS-770-7040-NO FAN
HS Code: 8501.31.6000
Applications: Power tool
 |
|
|
|
|
|
Untitled Document
MFG Model |
VOLTAGE |
NO LOAD |
AT MAXIMUM EFFICIENCY |
STALL |
OPERATING |
NOMINAL |
SPEED |
CURRENT |
SPEED |
CURRENT |
TORQUE |
OUTPUT |
EFF |
CURRENT |
TORQUE |
VDC |
VDC |
RPM |
A |
RPM |
A |
g.cm |
mN.m |
W |
% |
A |
g-cm |
mN-m |
| RS-770-8525F |
6.0-12.0 |
12 |
16000 |
1.8 |
13580 |
12.08 |
819 |
80.3 |
114.28 |
79.4 |
82.97 |
5997 |
587.9 |
| RS-770-7040 |
6.0-18.0 |
12 |
9700 |
1.3 |
8490 |
5.98 |
605 |
59.3 |
52.79 |
73.4 |
56.91 |
6076 |
595.7 |
| RS-770-4087 |
12.0-24 |
12 |
4550 |
0.6 |
3590 |
2.81 |
572 |
56.1 |
21.14 |
62.9 |
14.11 |
3408 |
334.1 |
| RS-770-32165 |
12.0-36.0 |
24 |
4650 |
0.22 |
3970 |
1.25 |
540 |
52.9 |
22.04 |
73.6 |
8.56 |
4050 |
397 |
|
|
|
|
|
|
|
|
|
|
|
|
|
|
|
©2003 KYSAN ELECTRONICS All Rights Reserved! www.kysanelectronics.com |
|