DC Motors
3754 Active
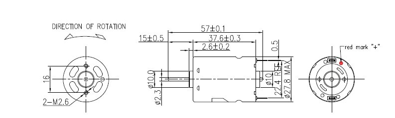
Data Group: 3754
SKU: 1112412
Weight (Kg): 0.5000
Decsription: RS-380SH-2572
HS Code: 8203.40.6000
Applications:

©2003 KYSAN ELECTRONICS All Rights Reserved! www.kysanelectronics.com