Stepper Motors
2580 Active
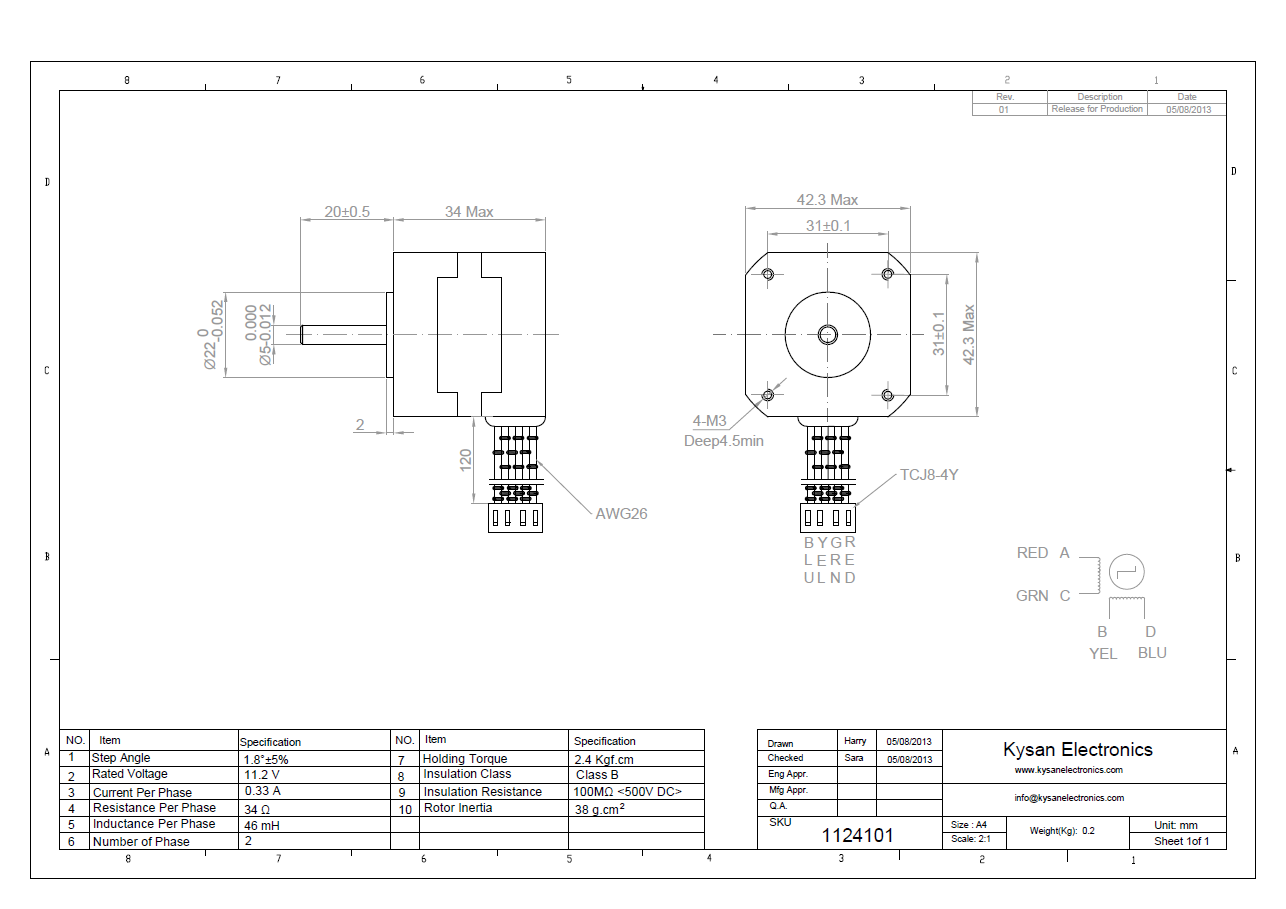
Data Group: 2580
SKU: 1124101
Weight (Kg): 1.0000
Decsription: 42BYG34B-18WC24S20
HS Code: 8483.40.9000
Applications:

©2003 KYSAN ELECTRONICS All Rights Reserved! www.kysanelectronics.com