Linear Steppers
2611 Active
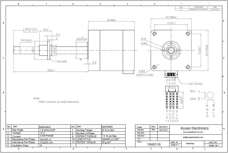
Data Group: 2611
SKU: 1040116
Weight (Kg): 1.0000
Decsription: 17HD-B8X250-0.4A
HS Code: 8501109990
Applications:

©2003 KYSAN ELECTRONICS All Rights Reserved! www.kysanelectronics.com