Linear Steppers
2615 Active
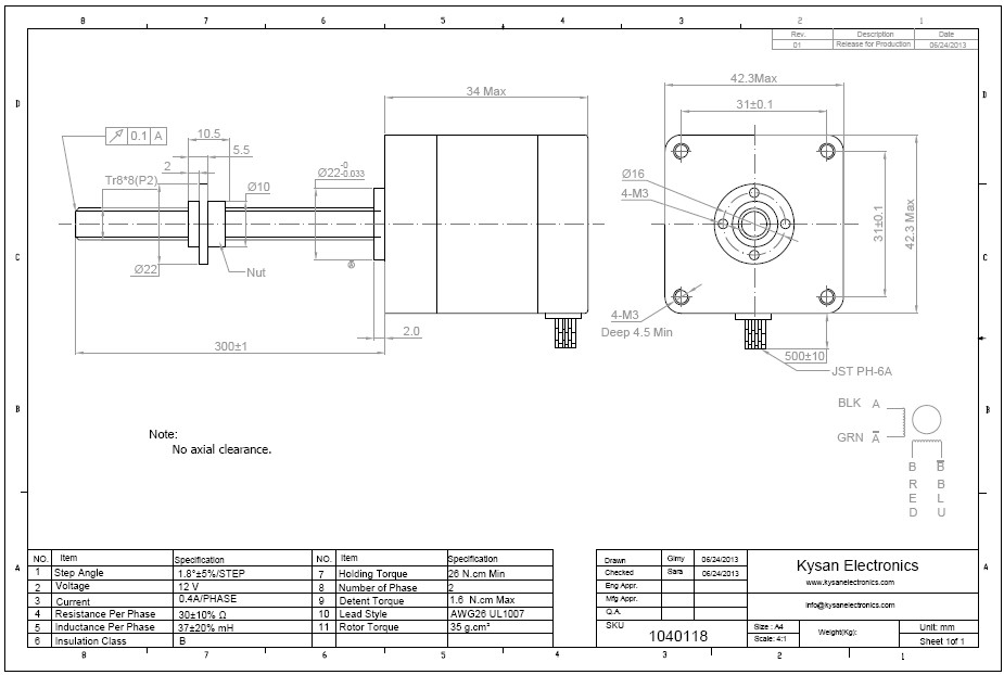
Data Group: 2615
SKU: 1040118
Weight (Kg): 1.0000
Decsription: 17HD-B8X300-C04A
HS Code: 8501109990
Applications:

©2003 KYSAN ELECTRONICS All Rights Reserved! www.kysanelectronics.com