DC Motors
2618 Active
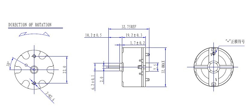
Data Group: 2618
SKU: 1111165
Weight (Kg): 0.2000
Decsription: RF-500TB-09930-R-32-A
HS Code: 8483.40.9000
Applications:

©2003 KYSAN ELECTRONICS All Rights Reserved! www.kysanelectronics.com