Geared Steppers
2683 Active
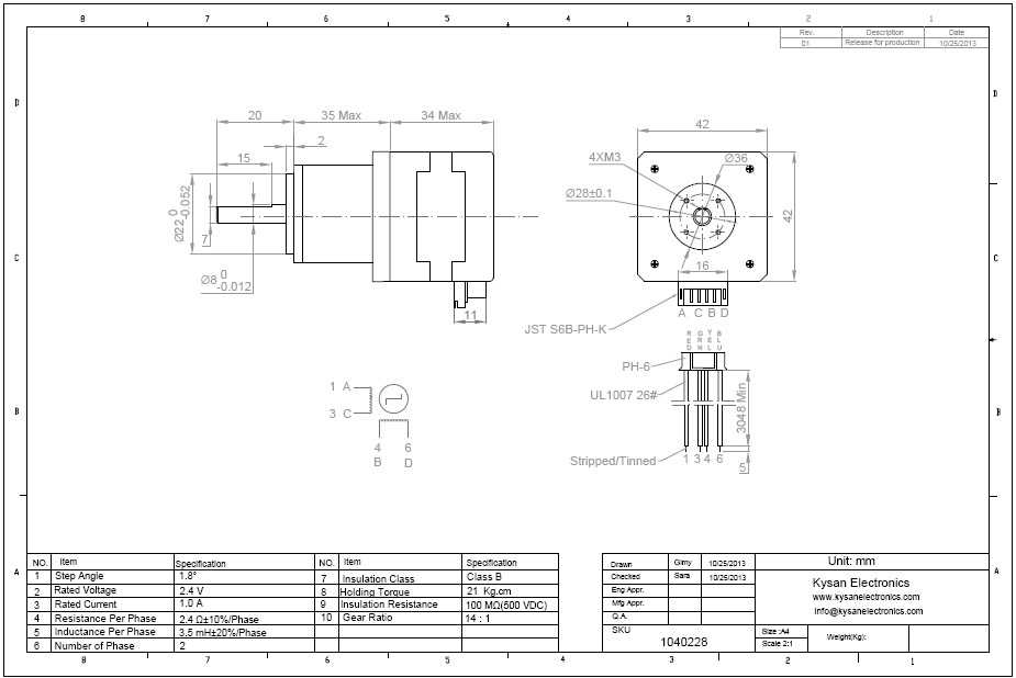
Data Group: 2683
SKU: 1040228
Weight (Kg): 1.0000
Decsription: 17HG-B1/14-C3048
HS Code: 8504.40.40.00
Applications:

©2003 KYSAN ELECTRONICS All Rights Reserved! www.kysanelectronics.com