DC Motors
2703 Active
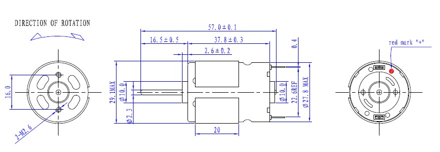
Data Group: 2703
SKU: 1112414
Weight (Kg): 0.5000
Decsription: RS-385PH-2465-24V
HS Code: 8483.40.9000
Applications:

©2003 KYSAN ELECTRONICS All Rights Reserved! www.kysanelectronics.com