DC Motors
2685 Active
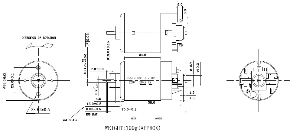
Data Group: 2685
SKU: 1112510
Weight (Kg): 0.5000
Decsription: RS-5512SA-09187
HS Code: 8483.40.9000
Applications:

©2003 KYSAN ELECTRONICS All Rights Reserved! www.kysanelectronics.com