DC Motors
2693 Active
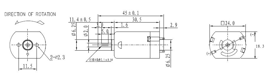
Data Group: 2693
SKU: 1112638
Weight (Kg): 0.1000
Decsription: FK-280SA-18165-K
HS Code: 8483.40.9000
Applications:

©2003 KYSAN ELECTRONICS All Rights Reserved! www.kysanelectronics.com