Stepper Motors
2728 Active
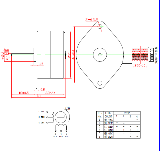
Data Group: 2728
SKU: 1135016
Weight (Kg): 0.5000
Decsription: 35BY48H03
HS Code: 8483.40.9000
Applications:

©2003 KYSAN ELECTRONICS All Rights Reserved! www.kysanelectronics.com