Linear Steppers
2759 Active
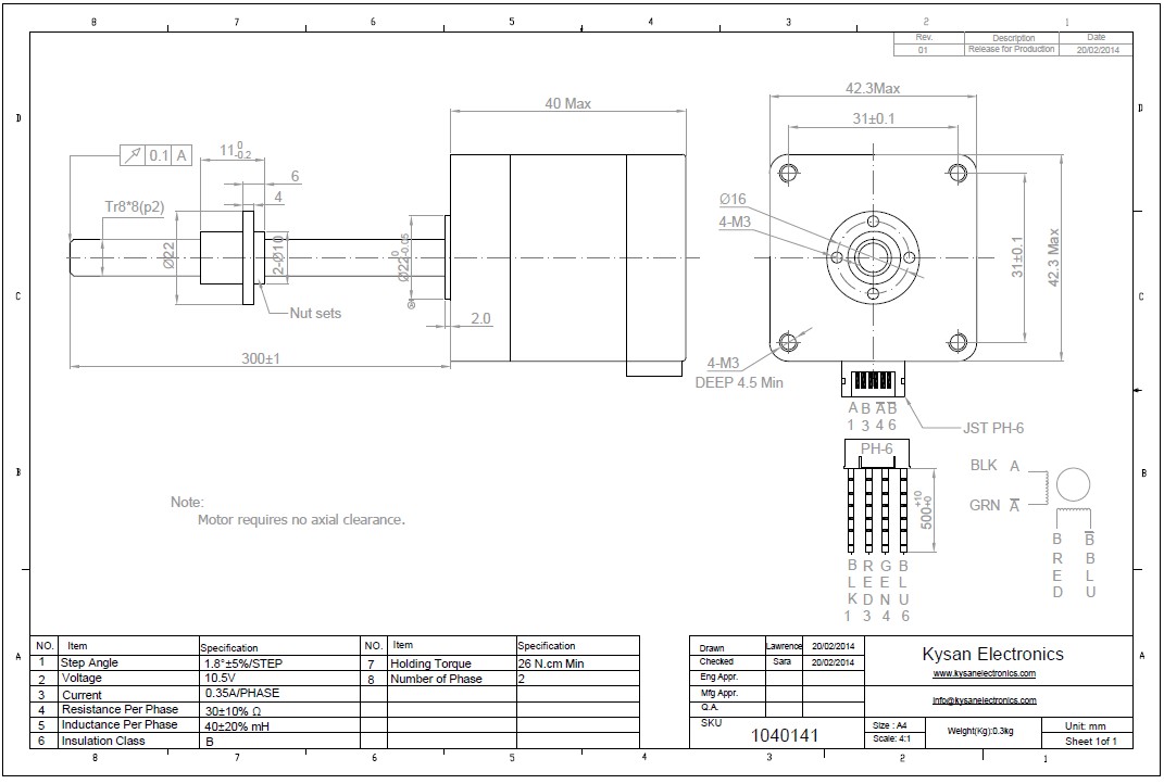
Data Group: 2759
SKU: 1040141
Weight (Kg): 1.0000
Decsription: 17HD-B8X300-T10.5V05A
HS Code: 8501109990
Applications:

©2003 KYSAN ELECTRONICS All Rights Reserved! www.kysanelectronics.com