AC Motors
2765 Active
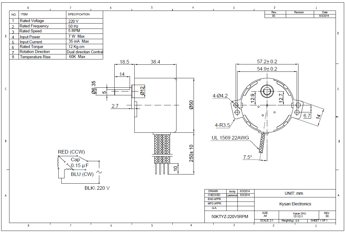
Data Group: 2765
SKU: 1311211
Weight (Kg): 0.5000
Decsription: 50KTYZ-220V5RPM-6.35
HS Code: 8501.31.4000
Applications:

©2003 KYSAN ELECTRONICS All Rights Reserved! www.kysanelectronics.com