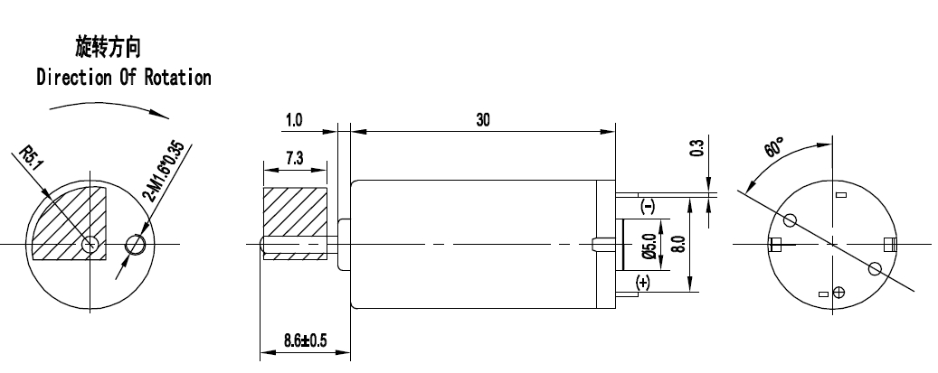
DC Motors
2801 Active
Data Group: 2801
SKU: 1112087
Weight (Kg): 0.1000
Decsription: RF-N60CA-1955-C
HS Code: 8483.40.9000
Applications:

©2003 KYSAN ELECTRONICS All Rights Reserved! www.kysanelectronics.com