AC Motors
2796 Active
Data Group: 2796
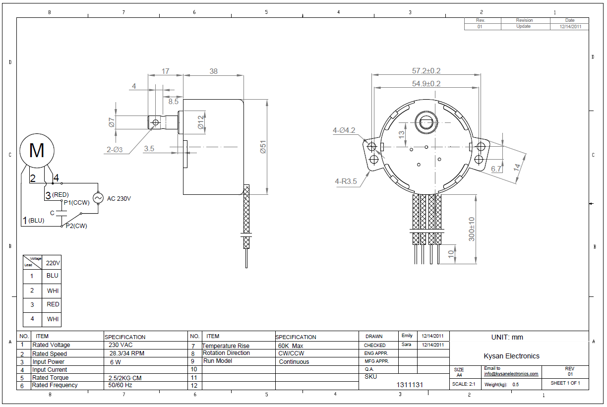
SKU: 1311131
Weight (Kg):
Decsription: 50KTYZ-230V 28.3/34RPM
HS Code: 8501.31.4000
Applications:

©2003 KYSAN ELECTRONICS All Rights Reserved! www.kysanelectronics.com