Linear Steppers
4224 Active
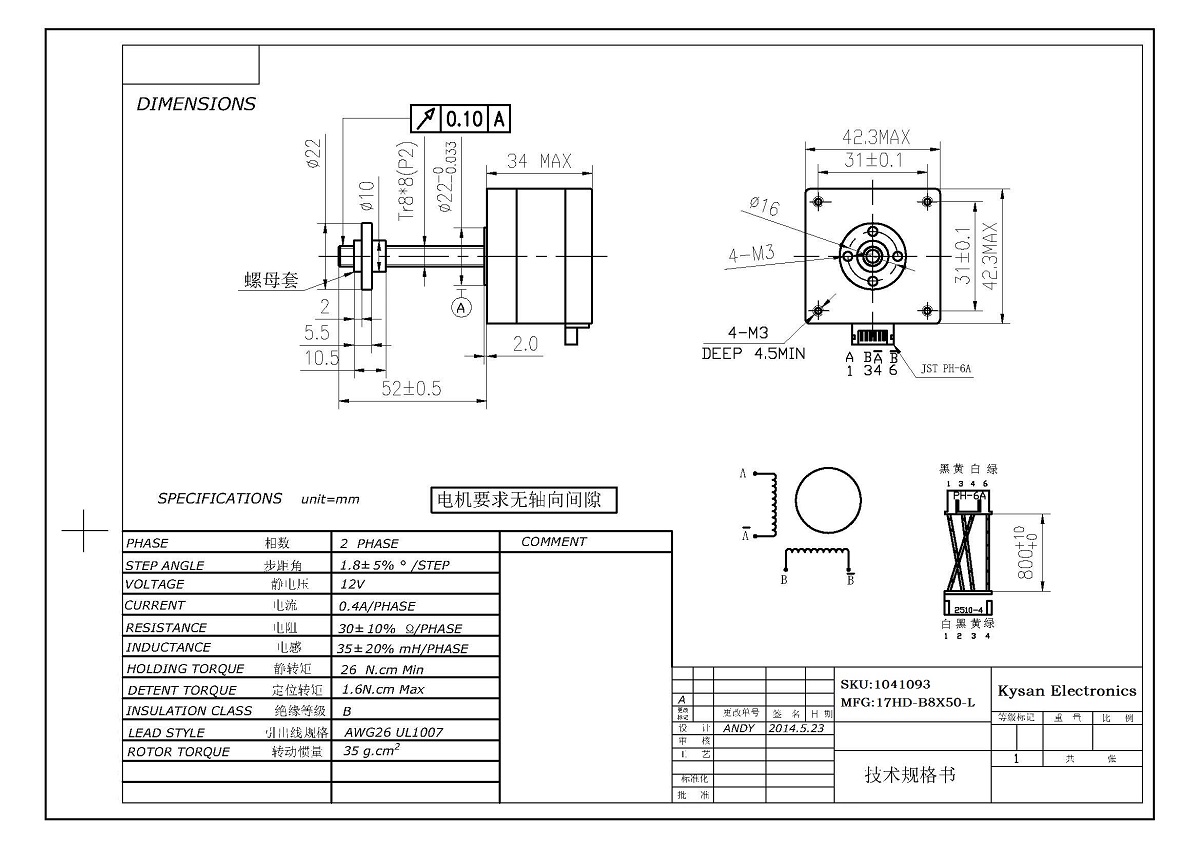
Data Group: 4224
SKU: 1041093
Weight (Kg): 1.0000
Decsription: 17HD-B8X50-L
HS Code:
Applications:

©2003 KYSAN ELECTRONICS All Rights Reserved! www.kysanelectronics.com