Brushless Motors
2865 Active
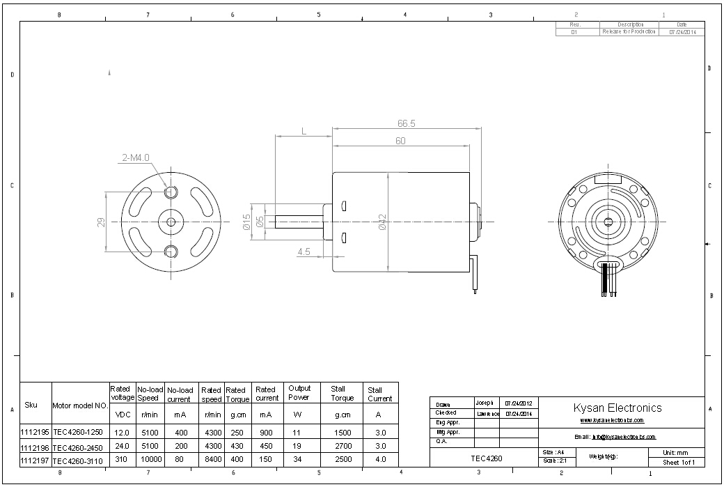
Data Group: 2865
SKU: 1112196
Weight (Kg): 0.3000
Decsription: TEC-4260-2450
HS Code: 8483.40.9000
Applications:

©2003 KYSAN ELECTRONICS All Rights Reserved! www.kysanelectronics.com