DC Motors
2972 Active
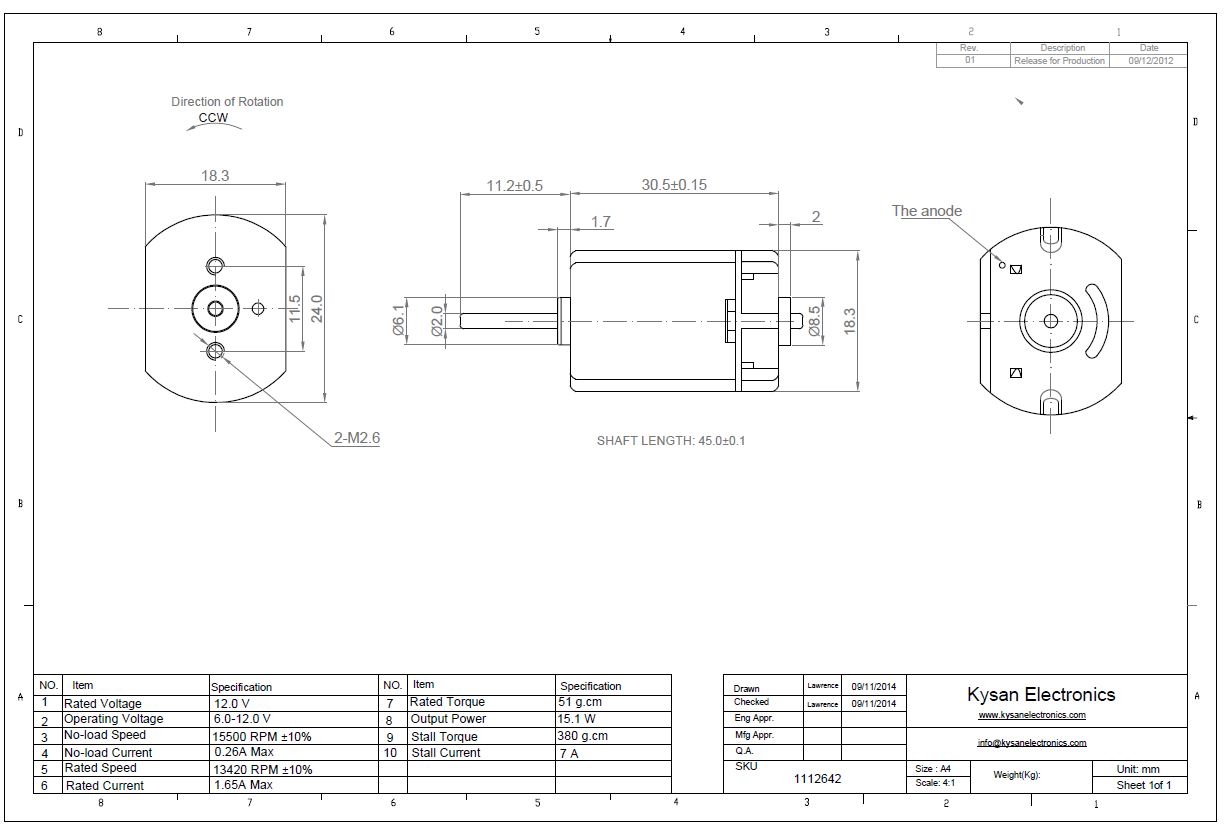
Data Group: 2972
SKU: 1112642
Weight (Kg): 0.2000
Decsription: FC-280PT-23120-45RI
HS Code: 8483.40.9000
Applications:

©2003 KYSAN ELECTRONICS All Rights Reserved! www.kysanelectronics.com