Vibrating Motors
2974 Active
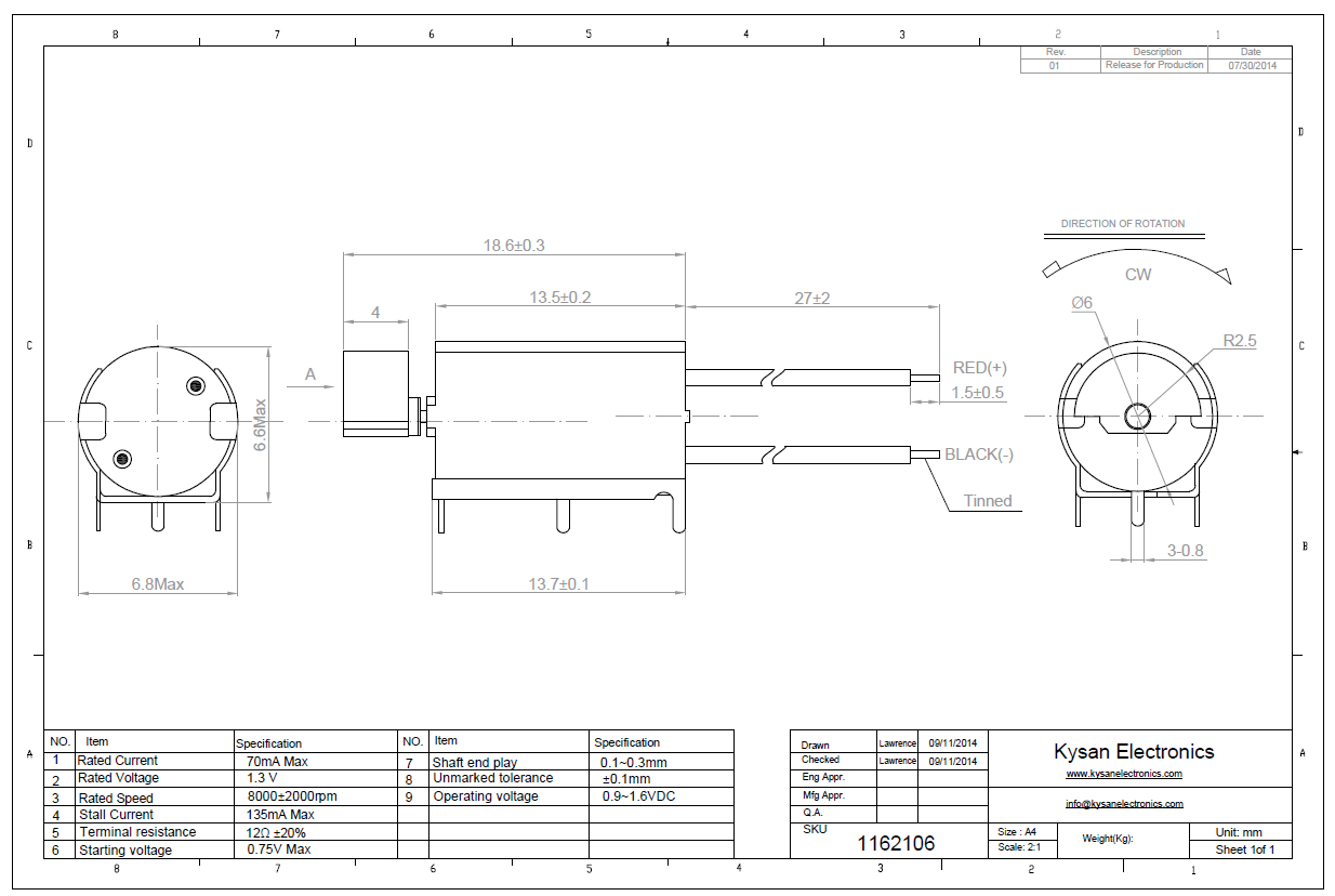
Data Group: 2974
SKU: 1162106
Weight (Kg):
Decsription: Z6GL2A0050461
HS Code: 8483.40.9000
Applications:

©2003 KYSAN ELECTRONICS All Rights Reserved! www.kysanelectronics.com