Vibrating Motors
3001 Active
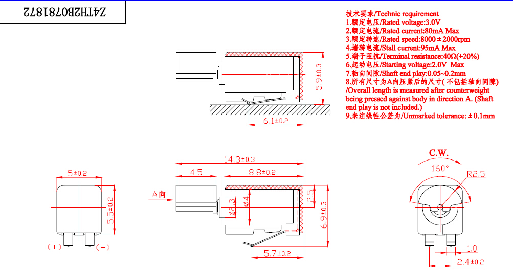
Data Group: 3001
SKU: 1162102
Weight (Kg): 0.0100
Decsription: Z4TH2B0781872
HS Code: 8483.40.9000
Applications:

©2003 KYSAN ELECTRONICS All Rights Reserved! www.kysanelectronics.com