AC Motors
2994 Active
Data Group: 2994
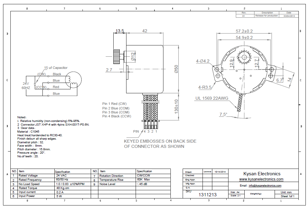
SKU: 1311213
Weight (Kg):
Decsription: 50KTYZ-24V1RPM-KIT
HS Code: 8501.31.4000
Applications:

©2003 KYSAN ELECTRONICS All Rights Reserved! www.kysanelectronics.com