DC Motors
4573 Active
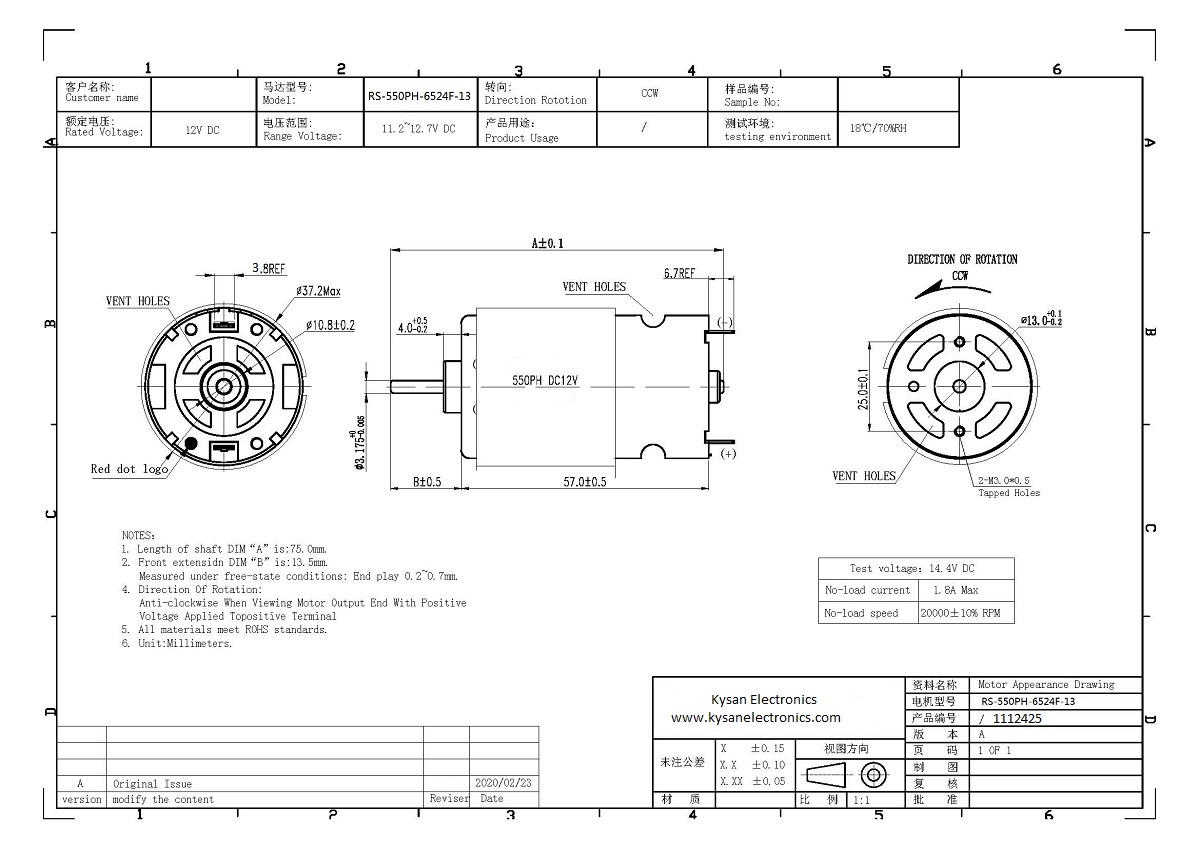
Data Group: 4573
SKU: 1112425
Weight (Kg): 0.5000
Decsription: RS-550PH-6524F-13
HS Code:
Applications:

©2003 KYSAN ELECTRONICS All Rights Reserved! www.kysanelectronics.com