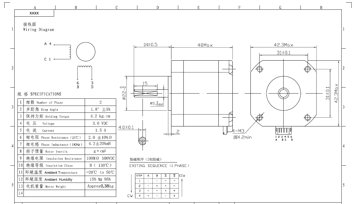
Stepper Motors
3065 Active
Data Group: 3065
SKU: 1124208
Weight (Kg): 0.8360
Decsription: 42BYG48B-18T42S24
HS Code: 8483.40.9000
Applications:

©2003 KYSAN ELECTRONICS All Rights Reserved! www.kysanelectronics.com