Servo Motors
3158 Active
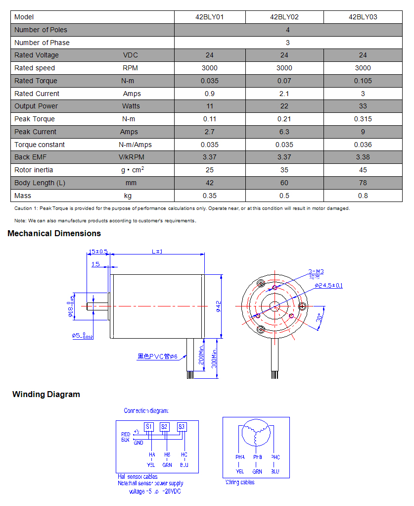
Data Group: 3158
SKU: 1158214
Weight (Kg): 2.0000
Decsription: 42BLY03
HS Code: 8501.31.4000
Applications:

©2003 KYSAN ELECTRONICS All Rights Reserved! www.kysanelectronics.com