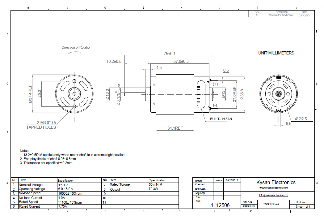
DC Motors
3435 Active
Data Group: 3435
SKU: 1112506
Weight (Kg): 0.2000
Decsription: RS-550-6534-13.2-F
HS Code: 8483.40.9000
Applications:

©2003 KYSAN ELECTRONICS All Rights Reserved! www.kysanelectronics.com