Stepper Motors
3263 Active
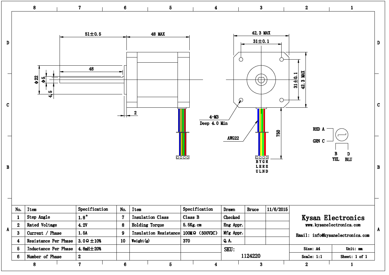
Data Group: 3263
SKU: 1124220
Weight (Kg): 2.0000
Decsription: 42BYG48B-18WC55S51
HS Code: 8483.40.9000
Applications:

©2003 KYSAN ELECTRONICS All Rights Reserved! www.kysanelectronics.com