DC Motors
3290 Active
Data Group: 3290
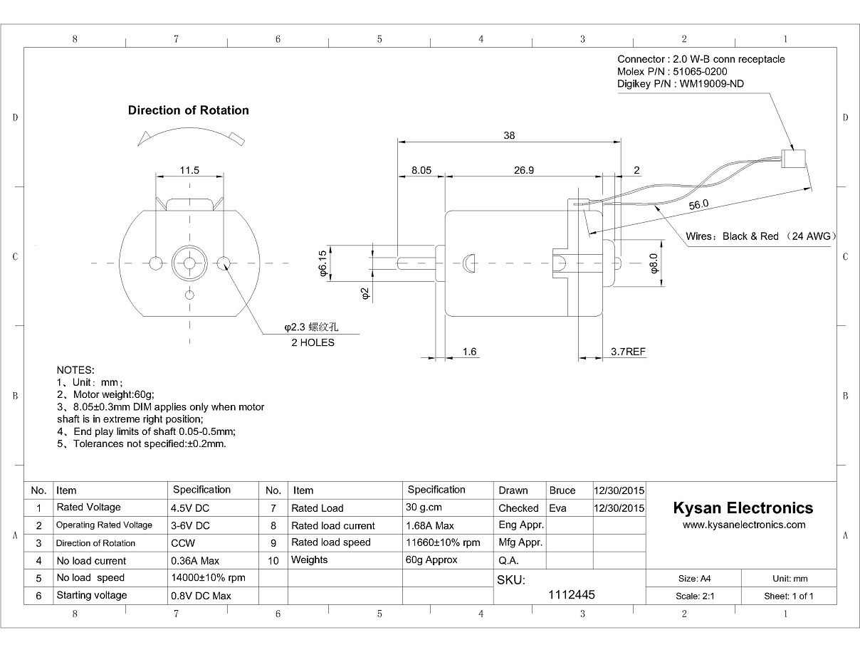
SKU: 1112445
Weight (Kg): 0.2000
Decsription: KS-260-2670-W
HS Code: 8483.40.9000
Applications:

©2003 KYSAN ELECTRONICS All Rights Reserved! www.kysanelectronics.com