DC Motors
3407 Active
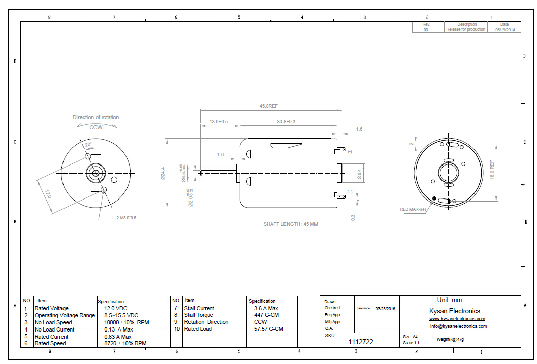
Data Group: 3407
SKU: 1112722
Weight (Kg): 0.2000
Decsription: RK-370SH-21170
HS Code: 8483.40.9000
Applications:

©2003 KYSAN ELECTRONICS All Rights Reserved! www.kysanelectronics.com