DC Motors
3406 Active
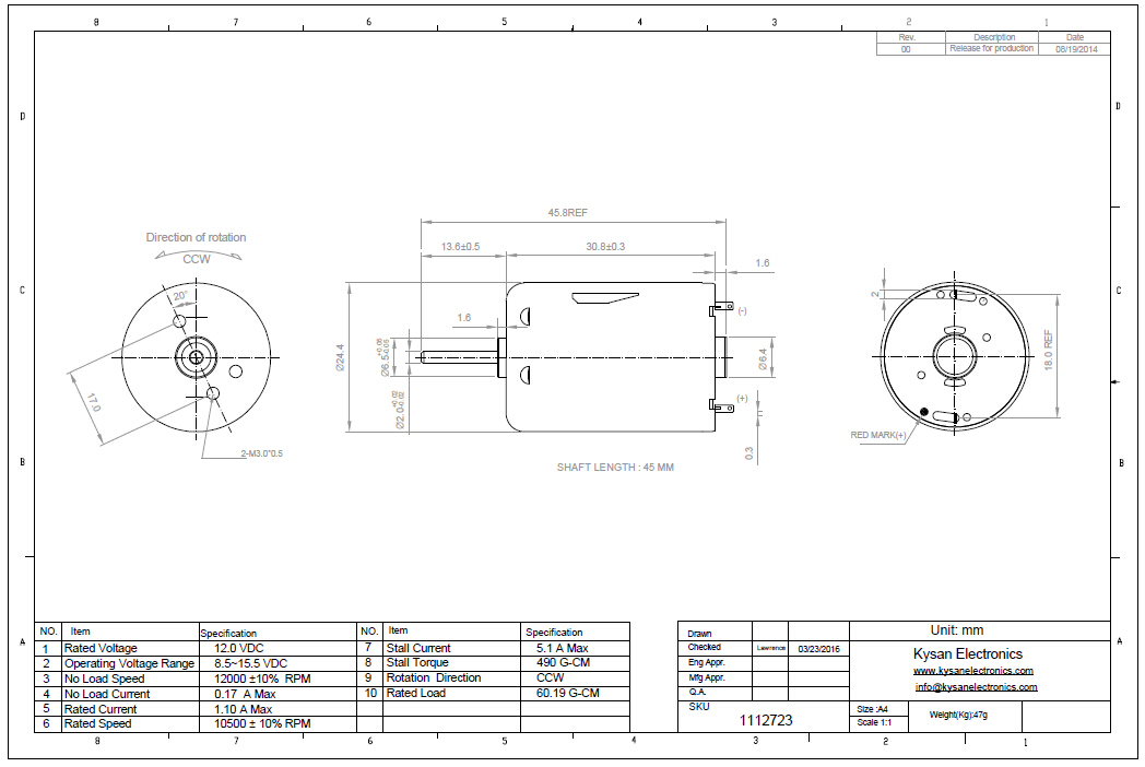
Data Group: 3406
SKU: 1112723
Weight (Kg): 0.2000
Decsription: RK-370SH-23140
HS Code: 8483.40.9000
Applications:

©2003 KYSAN ELECTRONICS All Rights Reserved! www.kysanelectronics.com