DC Motors
3624 Active
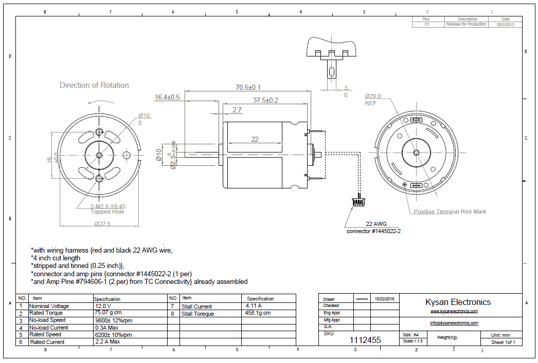
Data Group: 3624
SKU: 1112455
Weight (Kg): 0.2000
Decsription: RS-385PH-2465-30
HS Code: 8483.40.9000
Applications:

©2003 KYSAN ELECTRONICS All Rights Reserved! www.kysanelectronics.com