Stepper Motors
3652 Active
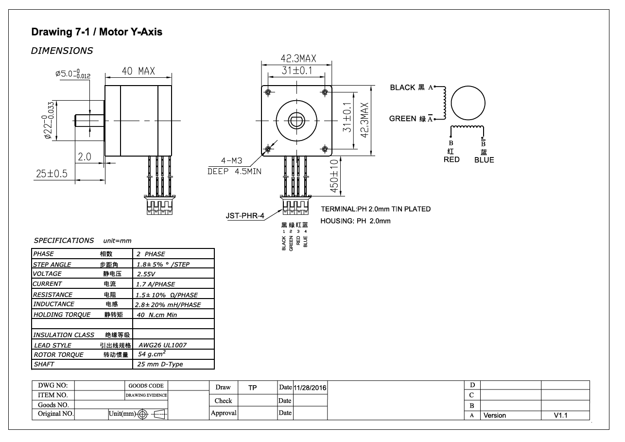
Data Group: 3652
SKU: 1124279
Weight (Kg): 0.5000
Decsription: 42BYG40-18.4WC5
HS Code: 8483.40.9000
Applications:

©2003 KYSAN ELECTRONICS All Rights Reserved! www.kysanelectronics.com