DC Motors
3802 Active
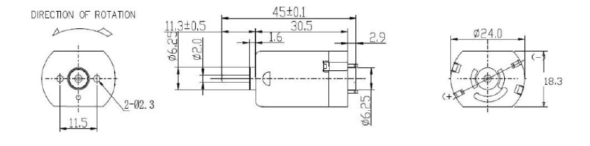
Data Group: 3802
SKU: 1112746
Weight (Kg): 0.2000
Decsription: PC-280-20125-3V
HS Code: 8203.40.6000
Applications:

©2003 KYSAN ELECTRONICS All Rights Reserved! www.kysanelectronics.com