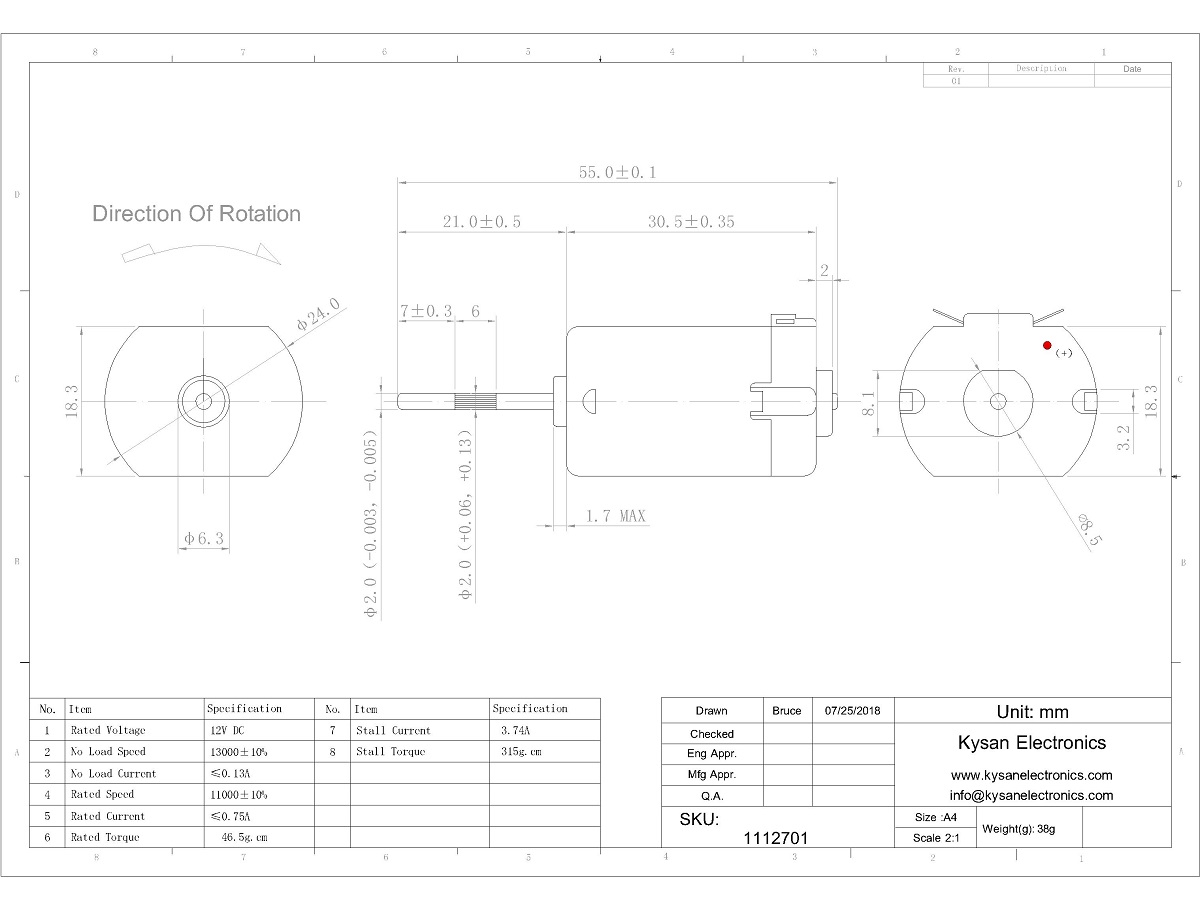
DC Motors
3936 Active
Data Group: 3936
SKU: 1112701
Weight (Kg): 0.1000
Decsription: UC-280PC-22125-19S
HS Code: 8203.40.6000
Applications:

©2003 KYSAN ELECTRONICS All Rights Reserved! www.kysanelectronics.com