Stepper Motors
3940 Active
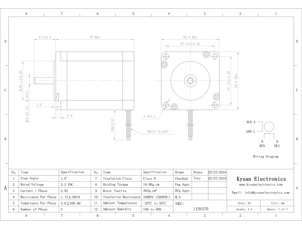
Data Group: 3940
SKU: 1126370
Weight (Kg): 3.0000
Decsription: 57BYGH305B-02
HS Code:
Applications:

©2003 KYSAN ELECTRONICS All Rights Reserved! www.kysanelectronics.com