|
 |
|
DC Motors
3943 Active |
|
|
|
|
|
Data Group: 3943
SKU: 1112741
Weight (Kg): 0.1000
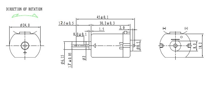
Decsription: FC-280SA-2865
HS Code: 8203.40.6000
Applications:
 |
|
|
|
|
|
Untitled Document
| MFG# |
OPERATING |
VOLTAGE |
NO LOAD |
AT MAXIMUM EFFICIENCY |
STALL |
| RANGE |
NOMINAL |
SPEED |
CURRENT |
SPEED |
CURRENT |
TORQUE |
OUTPUT |
TORQUE |
CURRENT |
| Volts |
Volts |
r/min |
A |
r/min |
A |
mN·m |
g·cm |
W |
mN·m |
g·cm |
A |
| FC-280SA-2865 |
2.4 - 3.0 |
3 |
7700 |
0.2 |
6420 |
1 |
2.53 |
25.8 |
1.7 |
15.2 |
155 |
5 |
|
|
|
|
|
|
|
|
|
|
|
|
|
|
|
©2003 KYSAN ELECTRONICS All Rights Reserved! www.kysanelectronics.com |
|