DC Motors
4170 Active
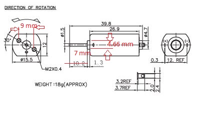
Data Group: 4170
SKU: 1112462
Weight (Kg): 0.1000
Decsription: FF-050SH-1670-7R
HS Code: 8203.40.6000
Applications: CD Player /Car CD player, DVD Player/Office Automation
无标题文档
Mfg Voltage No Load At Maximum Efficiency Stall
Model Range Nomnal Speed Current Speed Current Torque Eff. Current Torque
Number VDC VDC RPM A RPM A g-cm Mn-m % A g-cm mN-m
FF-050SH-1670 3.0-6.0 3.0 10600 0.160 7600 0.500 10 0.99 35.00 1.350 35 3.43

©2003 KYSAN ELECTRONICS All Rights Reserved! www.kysanelectronics.com