Linear Steppers
4223 Active
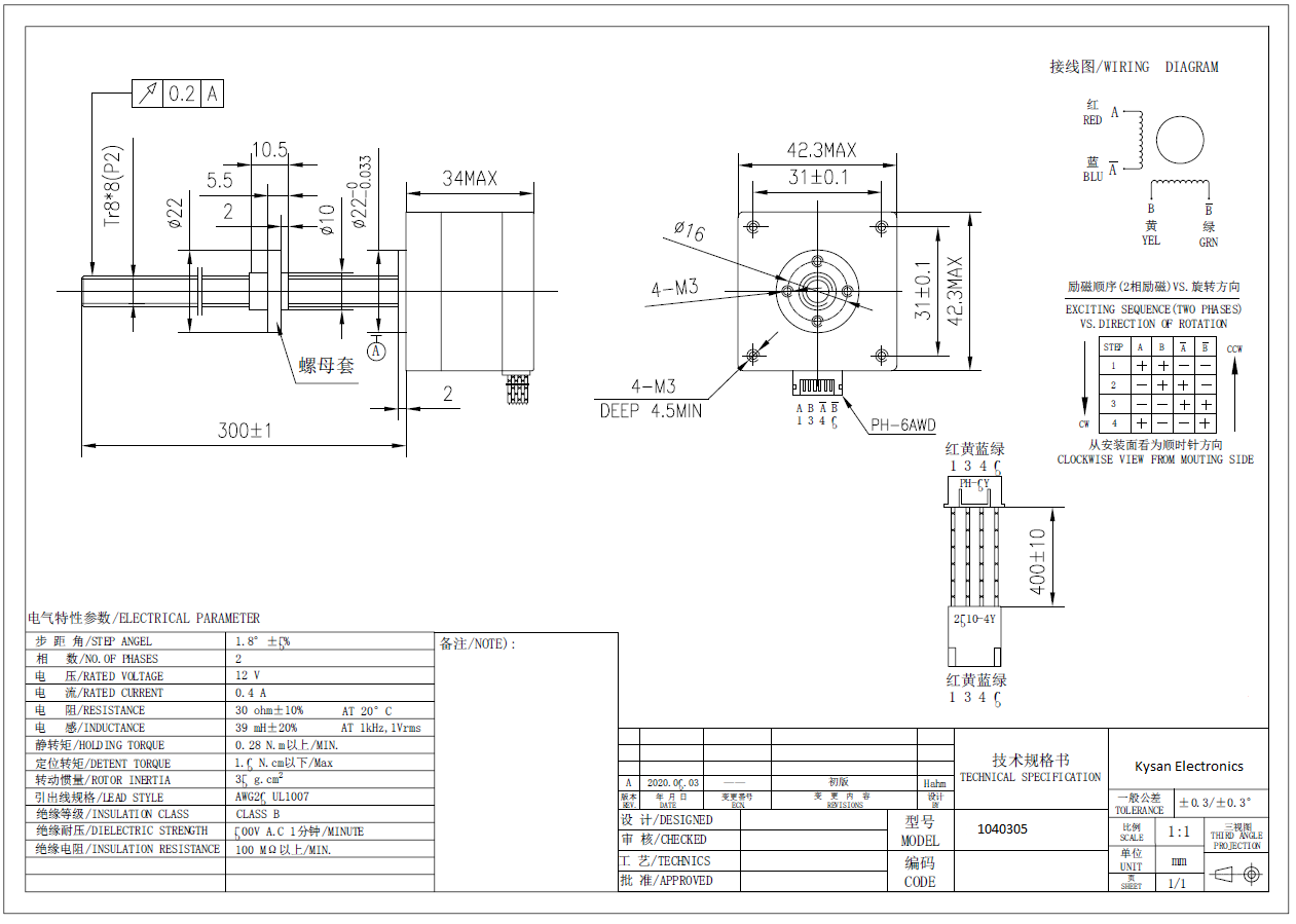
Data Group: 4223
SKU: 1040305
Weight (Kg): 1.0000
Decsription: 17HD-B8X300-T04AL
HS Code:
Applications:

©2003 KYSAN ELECTRONICS All Rights Reserved! www.kysanelectronics.com