Vibrating Motors
4425 Active
Data Group: 4425
SKU: 1192080
Weight (Kg): 0.1000
Decsription: FG-Y4082030L275VB
HS Code:
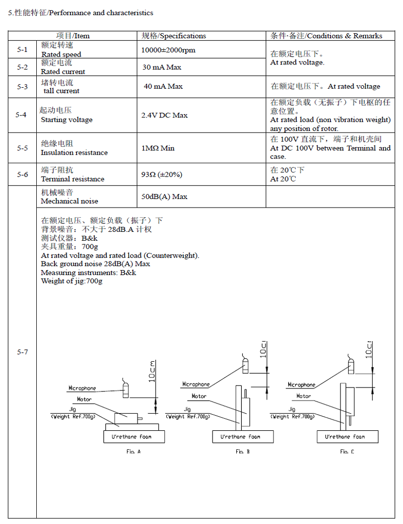
Applications:

©2003 KYSAN ELECTRONICS All Rights Reserved! www.kysanelectronics.com