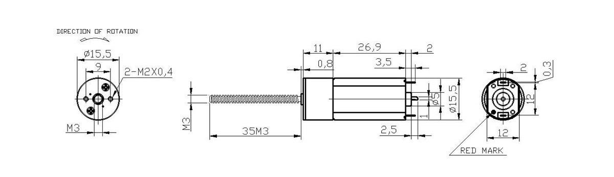
Spur Geared Motors
4692 Active
Data Group: 4692
SKU: 1151614
Weight (Kg): 0.5000
Decsription: 16GA050-3V1000RPM
HS Code:
Applications:

©2003 KYSAN ELECTRONICS All Rights Reserved! www.kysanelectronics.com